Конструктор: Двополярне лабораторне джерело живлення з регульованим захистом струму
Лабораторний двополярний блок живлення – ідеальне рішення для електронних експериментів та розробок. З цим багатофункціональним джерелом живлення ви зможете точно регулювати напругу та струм, що робить її невід'ємною частиною будь-якої лабораторії чи майстерні. Незалежні канали дозволяють застосовувати його у різноманітних проектах, включаючи тестування електроніки, заряджання акумуляторів та інші завдання. Дізнайтеся більше про можливості та застосування цього блоку живлення нижче.
Технічні характеристики:
- Вхідна напруга, В: 14...35
- Вихідна напруга, В: 0...30
- Струм навантаження, А: 0...2
- Нестабільність вихідної напруги, %: 1
- Кількість незалежних каналів: 2
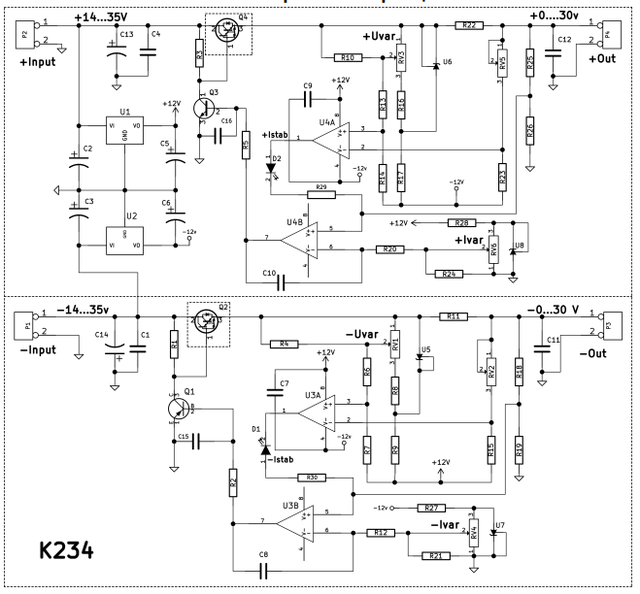
Схема електрична принципова

Схема розташування елементів
Робота схеми
Схема стабілізації позитивної напруги зібрана на компараторі U4В. Порівнюючи вихідну напругу, поділену на дільнику R25 R26, з опорним, сформованим стабілізатором U8 і потенціометром RV6, компаратор формує вихідну напругу, що управляє станом транзистора Q3, який у свою чергу керує регулюючим елементом Q4.
Обмеження струму здійснюється компаратором U4А, який порівнює напругу падіння на шунті R22 з опорною напругою, формованим потенціометром RV3 та стабілізатором U6. При перевищенні заданого порога, U4А формує напругу неузгодженості, що подається на вхід U4В, що не інвертує, що в кінцевому підсумку приведе до обмеження вихідної напруги схеми. В режимі обмеження струму світиться світлодіод D2.
Схема регулювання негативної напруги та струму працює аналогічно. Регулювання вихідної напруги здійснюється потенціометром RV4, а струму — RV1.
Налагодження схеми:
Для позитивної гілки: ручку потенціометра RV3 викрутити ліворуч до упору, змінювати стан потенціометра RV5 доти, доки не загориться світлодіод D2. Для негативної гілки зробити ті ж операції з RV1 і RV2, стежачи за станом D1.
УВАГА!
Транзистори Q2 і Q4 необхідно встановити кожен на радіатор з площею поверхні не менше 300 см2 кожен, або на загальний, площею не менше 600 см2 із застосуванням діелектричних термопровідних підкладок. U1, U2 ставити на тепловідведення не потрібно. Якщо захочете поставити — обов'язково ізолюйте їх від радіатора термопровідною прокладкою.
Примітки:
- Потужність постійних резисторів: 0,25 Вт
- При підключенні земляного провідника слід підключити до обох клем P1 і P2
- Рекомендується підключати пристрій до джерела напруги провідниками завдовжки не більше 10 см.
Схема підключення

Перейти до розділу Конструктори
Де купити Лабораторний двополярний блок живлення K234. Набір?
Ми пропонуємо купити Лабораторний двополярний блок живлення K234. Набір у нашому магазині ELECTRONICA.IN.UA. Ми гарантуємо якісний сервіс та швидке відправлення по всій Україні. Доставка у Київ, Харків, Одеса, Львів. Самовивіз у м. Дніпро, вул. Курчатова, 4.
| Основні атрибути | |
|---|---|
| Країна виробник | Китай |
| Стан | Новий |
| Тип | Світлодіод |
| Користувальницькі характеристики | |
| Тип конструктора | Необхідне спаяння деталей |
| Тип конструктора | Регулятори/Стабілізатори напруги та потужності |
| Тип модуля | Комунікаційний |
- Ціна: 230,10 ₴





